Ciclo de acecho/drilling


El ciclo de grooving genera uno a partir de ambos ciclos enlatados ISO G74 o ISO G75 basado en la caja del perfil definido. Los parámetros del ciclo se pueden definir en la ventana de propiedades.

images/download/attachments/128536692/image2024-7-15_16-10-0.png

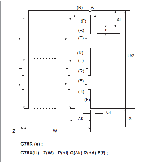
A continuación se muestra el extracto del manual del operador de Fanuc sobre los ciclos G74/G75.

El siguiente programa genera la ruta de corte que se muestra en la imagen de abajo. La rotura del chip es posible en este ciclo como se muestra a continuación. si X(u) y P se omiten, operación sólo en los resultados del eje Z, para ser utilizado para la perforación.

images/download/attachments/128536692/G74.png

images/download/attachments/128536692/G75.png


Véase también:

Mecanizado de torno

Ciclos de torno