Herramienta de fresador


El cálculo de la herramienta de mecanizado en las operaciones de fresado se realiza para varios tipos de herramientas que difieren según la forma de la pieza de perfilado y los parámetros utilizados para describirla. Tipos de herramientas compatibles con sus parámetros geométricos se enumeran en la siguiente tabla:

Fresador cilíndrico:

longitud, diámetro;

Fresador esférico:

longitud, diámetro;

Fresador de toros:

longitud, diámetro, radio de redondeo;

images/download/attachments/128533552/a4clip0001.png

images/download/attachments/128533552/a5clip0001.png

images/download/attachments/128533552/a6clip0001.png

Fresador radiales dobles :

longitud, diámetro, radio de redondeo en la parte cilíndrica, radio de redondeo del pico;

Fresador radial doble limitado:

longitud, diámetro, radio de redondeo en la parte cilíndrica, radio de redondeo en el pico, altura;

Fresador cónico:

longitud, diámetro, radio de redondeo en la parte cilíndrica, radio de redondeo del pico, ángulo;

images/download/attachments/128533552/a7clip0001.png

images/download/attachments/128533552/a8clip0001.png

images/download/attachments/128533552/a9clip0001.png

Fresador cónico limitado:

longitud, diámetro, radio de redondeo en la parte cilíndrica, radio de redondeo en el pico, ángulo, altura;

Grabador:

longitud, diámetro, ángulo, altura, diámetro de pico;

Taladro:

longitud, diámetro, ángulo de rectificado;

images/download/attachments/128533552/a10clip0001.png

images/download/attachments/128533552/a11clip0001.png

images/download/attachments/128533552/a12clip0001.png

Taladro central:

Fresador subcortado:

Taladro en dos etapas:

images/download/attachments/128533552/a12clip0001.png

images/download/attachments/128533552/f_clip0442.png

images/download/attachments/128533552/f_clip0443.png

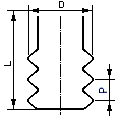
Fresador de empuje:

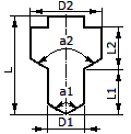
Herramienta con forma:

images/download/attachments/128533552/f_clip0444.png

images/download/attachments/128533552/f_clip0445.png


Además de los parámetros que describen la forma del fresador, el usuario también puede definir para la herramienta:

  • unidades de asignación de dimensiones lineales (milímetros o pulgadas);

  • dirección de rotación (CW o CCW);

  • número de dientes;

  • material;

  • durabilidad (en horas).

El programa NC se puede calcular para el extremo o el punto central de la herramienta programada. El punto final programado implica un punto en el eje de rotación de la herramienta con la coordenada Z igual al punto de corte inferior de la herramienta. El punto central programado – es el punto en el eje de la herramienta con la coordenada Z igual al nivel superior del borde de la parte perfilada de la herramienta (o el borde inferior de la parte cilíndrica).

Los parámetros del fresador se pueden definir en la <Página de la herramienta>.


Véase también:

Parámetros de funcionamiento de la definición